NICHT machen !!!! Solche Basteleien sind insbesondere fĂŒr Laien lebensgefĂ€hrlich. An der LED liegt volle Netzspannung !!!!
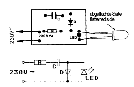
Falls Du ein sehr kleines Nest/Formikarium hast, vielleicht trotzdem noch der Tipp: Mit diesem Modul fĂŒr 3,58 EUR kannst Du eine LED direkt an einem 230 V Stromkabel betreiben:
230 V LED VORSCHALTPLATINE bei Conrad
MondĂ€hnliches Licht erzeugen fĂŒr die Nacht?
- xtw
- Einsteiger
- BeitrÀge: 84
- Registriert: 11. Juni 2008, 13:24
- Hat sich bedankt: 0
- Danksagung erhalten: 1 Mal
#9 AW: MondĂ€hnliches Licht erzeugen fĂŒr die Nacht?
Lieben GruĂ, Thorsten
## GESUCHT ## : 2-3 Camponotus herculeanus oder ligniperda Königinnen (begattet) aus aktuellem Schwarmflug gegen Unkostenerstattung. ## Bitte per PN ##
## GESUCHT ## : 2-3 Camponotus herculeanus oder ligniperda Königinnen (begattet) aus aktuellem Schwarmflug gegen Unkostenerstattung. ## Bitte per PN ##
-
- Halter
- BeitrÀge: 431
- Registriert: 5. Juli 2008, 15:11
- Hat sich bedankt: 0
- Danksagung erhalten: 0
#10 AW: MondĂ€hnliches Licht erzeugen fĂŒr die Nacht?
xtw hat geschrieben:NICHT machen !!!! Solche Basteleien sind insbesondere fĂŒr Laien lebensgefĂ€hrlich. An der LED liegt volle Netzspannung !!!!
An der LED liegt nicht volle Netzspannung, sondern nur an dem Modul. Dort wird das Netzkabel angeschlossen. Das Modul gehört dann in ein kleines GehĂ€use, und die LED sollte man dann mit einem weiteren Anschlusskabel (z.B. 50 cm lang) aus dem GehĂ€use zum Formikarium fĂŒhren. Das Modul mit dem Netzanschluss kann man neben das Formikarium legen.
An dem Anschluss fĂŒr die LED liegt dann keine gefĂ€hrliche Spannung an!
Das Anschliessen des Netzkabels an das Modul ist aber tatsĂ€chlich so gefĂ€hrlich, wie eine Deckenlampe in der KĂŒche anzuschliessen.
FĂŒr sowas macht man den Lichtschalter aus und dreht sicherheitshalber die Sicherung raus! FĂŒr Basteleien am Netzkabel gilt natĂŒrlich, dass der Stecker nie in der Steckdose stecken darf, wĂ€hrend man dran schraubt!! StromfĂŒhrende Teile und z.B. das Modul gehören in ein kleines PlastikgehĂ€use, so dass man da spĂ€ter beim laufenden Betrieb nicht anfassen kann.
Wer das nicht kann/weiss oder sich damit nicht auskennt, der sollte es lassen, da Netzspannung lebensgefĂ€hrlich sein kann (insbesondere auch wenn man auf einer Leiter in der KĂŒche steht).
Aber darauf habe ich in meiner Antwort auch klar hingewiesen, xtw! Genauso gut könntest Du solche Warnhinweise beim Umgang mit SÀgen, Bohrmaschinen und besonders mit Glas geben!
Trotzdem hier noch der zusÀtzliche Hinweis: Kinder und Jugendliche: einen Erwachsenen um Hilfe bitten oder die fertige Lampe z.B. bei ebay kaufen!
Nuptial
EDIT: Der Teil in grau ist falsch, da habe ich mich geirrt und xtws Warnhinweis ist berechtigt: Diese Schaltung lieber nicht benutzen! Höchstens wenn alles in einem abgeschlossenen Modul ist!!
#11 AW: MondĂ€hnliches Licht erzeugen fĂŒr die Nacht?
Aber bei dem Mondlicht, wĂŒrde ich aufpassen wenn du dir des kaufst, weil als ich noch meine Schlangen und Geckos hatte habe ich des auch drin gehabt.
Ich musste alle 6Monate die Lampen wechseln weil die dinger kaputt gingen.
ein GlĂŒck ich kenne einen Filialleiter vom Fressnapf der hat die mir gĂŒnstiger gegeben.
Es gibt aber auch no name Produkte die sind genauso gut und um die HĂ€lfte gĂŒnstiger und wie gesagt des mit der Led von Conrad hört sich fĂŒr eine gutelösung an.
Ich musste alle 6Monate die Lampen wechseln weil die dinger kaputt gingen.
ein GlĂŒck ich kenne einen Filialleiter vom Fressnapf der hat die mir gĂŒnstiger gegeben.

Es gibt aber auch no name Produkte die sind genauso gut und um die HĂ€lfte gĂŒnstiger und wie gesagt des mit der Led von Conrad hört sich fĂŒr eine gutelösung an.
- xtw
- Einsteiger
- BeitrÀge: 84
- Registriert: 11. Juni 2008, 13:24
- Hat sich bedankt: 0
- Danksagung erhalten: 1 Mal
#12
Sorry, Nuptial, aber das ist und bleibt lebensgefĂ€hrlicher Unfug ! Wie Du in der Anleitung zur Vorschaltplatine lesen kannst (Link folgen, Anleitung als PDF), ist auch hier die LED isoliert im GehĂ€use unterzubringen. Wie bei jeder anderen trafolosen Vorschaltplatine, die lediglich ĂŒber Kondensatoren und WiderstĂ€nde den erforderlichen Stromfluss begrenzt, besteht auch hier eine Verbindung zum Netzpotential ! Je nach Polung hast Du sogar ein einem LED-Anschluss direkt die Phase.
SprĂŒche wie "Genauso gut könntest Du solche Warnhinweise beim Umgang mit SĂ€gen, Bohrmaschinen und besonders mit Glas geben!" sind da schon reiner Sarkasmus...
Bei solchen VorschlĂ€gen muss ich leider den spieĂigen E-Techniker raushĂ€ngen lassen, ich hab' schon genug Bastelleichen sehen "dĂŒrfen"...
Edit:
Nochmal zur Verdeutlichung, Nuptial : Anbei das Layout einer funktionsgleichen Vorschaltplatine von Kemo. Wie Du siehst, hĂ€ngt es nur vom Zufall (Steckerpolung) ab, ob Du "nur" fĂŒrchterlich einen gewischt bekommst, oder einen lebensgefĂ€hrlichen Schlag erhĂ€lst - 50:50 !
Ich mag solche GlĂŒcksspiele nicht, und erstrecht keine Anleitungen fĂŒr Laien, solche GlĂŒcksspiele durchzufĂŒhren...
Zu Deinem Schlusssatz ( Kinder und Jugendliche: einen Erwachsenen um Hilfe bitten... ) - leider bauen Erwachsene die dicksten Böcke, vom branderzeugendem Stromdiebstahl mit Klingeldraht unter Holztreppen bis zu versehentlichen (Selbst)mordschaltungen.
Ist nicht böse gemeint
, aber wie gesagt, es gibt Bilder, die man nicht vergisst... 
SprĂŒche wie "Genauso gut könntest Du solche Warnhinweise beim Umgang mit SĂ€gen, Bohrmaschinen und besonders mit Glas geben!" sind da schon reiner Sarkasmus...
Bei solchen VorschlĂ€gen muss ich leider den spieĂigen E-Techniker raushĂ€ngen lassen, ich hab' schon genug Bastelleichen sehen "dĂŒrfen"...
Edit:
Nochmal zur Verdeutlichung, Nuptial : Anbei das Layout einer funktionsgleichen Vorschaltplatine von Kemo. Wie Du siehst, hĂ€ngt es nur vom Zufall (Steckerpolung) ab, ob Du "nur" fĂŒrchterlich einen gewischt bekommst, oder einen lebensgefĂ€hrlichen Schlag erhĂ€lst - 50:50 !
Ich mag solche GlĂŒcksspiele nicht, und erstrecht keine Anleitungen fĂŒr Laien, solche GlĂŒcksspiele durchzufĂŒhren...

Zu Deinem Schlusssatz ( Kinder und Jugendliche: einen Erwachsenen um Hilfe bitten... ) - leider bauen Erwachsene die dicksten Böcke, vom branderzeugendem Stromdiebstahl mit Klingeldraht unter Holztreppen bis zu versehentlichen (Selbst)mordschaltungen.


Ist nicht böse gemeint


Lieben GruĂ, Thorsten
## GESUCHT ## : 2-3 Camponotus herculeanus oder ligniperda Königinnen (begattet) aus aktuellem Schwarmflug gegen Unkostenerstattung. ## Bitte per PN ##
## GESUCHT ## : 2-3 Camponotus herculeanus oder ligniperda Königinnen (begattet) aus aktuellem Schwarmflug gegen Unkostenerstattung. ## Bitte per PN ##
- HrSumsemann
- Halter
- BeitrÀge: 390
- Registriert: 10. Mai 2008, 16:13
- Hat sich bedankt: 0
- Danksagung erhalten: 0
#13 AW: MondĂ€hnliches Licht erzeugen fĂŒr die Nacht?
Ich rate grundsĂ€tzlich von sowas ab, LEDs werden ĂŒbrigens auch warm...zumindest HochleistungsLEDs ,....nur so als Tipp...
Nimm doch einfach eine gute Fassung und eine Lampe aus dem Laden, verringert das Risiko eines Brandes UND du bist im Fall der FĂ€lle versichert.
mfg Sumse
Nimm doch einfach eine gute Fassung und eine Lampe aus dem Laden, verringert das Risiko eines Brandes UND du bist im Fall der FĂ€lle versichert.
mfg Sumse
P. dives,Campo. sp, Lasius cf niger, Deroplatys lobata ,Sphodromantis lineola,Hymenopus coronatus, Phyllocrania paradoxa, Pseudocreobotra wahlbergii,2 Mietzen,ein kleiner dicker Hamster
- xtw
- Einsteiger
- BeitrÀge: 84
- Registriert: 11. Juni 2008, 13:24
- Hat sich bedankt: 0
- Danksagung erhalten: 1 Mal
#14 AW: MondĂ€hnliches Licht erzeugen fĂŒr die Nacht?
Beim Betrieb innerhalb der Spezifikation werden auch HochleistungsLED (die einen entsprechenden KĂŒhlkörper brauchen) nur handwarm. Aber das wĂ€re auch viel zuviel Licht fĂŒr ein normales Becken. 5mm-LEDs bleiben bei korrektem Strom relativ kalt und sind "unkaputtbar".
Brandgefahr besteht genausowenig wie ein Verlust der Versicherungsleistung, solange zulÀssiges Material sachgerecht verwendet wird.
Ich bekomme hier langsam Angst, aber das ist wohl berufsbedingt...

Brandgefahr besteht genausowenig wie ein Verlust der Versicherungsleistung, solange zulÀssiges Material sachgerecht verwendet wird.

Ich bekomme hier langsam Angst, aber das ist wohl berufsbedingt...

Lieben GruĂ, Thorsten
## GESUCHT ## : 2-3 Camponotus herculeanus oder ligniperda Königinnen (begattet) aus aktuellem Schwarmflug gegen Unkostenerstattung. ## Bitte per PN ##
## GESUCHT ## : 2-3 Camponotus herculeanus oder ligniperda Königinnen (begattet) aus aktuellem Schwarmflug gegen Unkostenerstattung. ## Bitte per PN ##
-
- Halter
- BeitrÀge: 431
- Registriert: 5. Juli 2008, 15:11
- Hat sich bedankt: 0
- Danksagung erhalten: 0
#15 AW: MondĂ€hnliches Licht erzeugen fĂŒr die Nacht?
Hallo xtw!
Ich wusste nicht, dass Du vom Fach bist, und habe meine Empfehlung daher rauseditiert und gebe Dir recht. Bis auf den BrĂŒckengleichrichter sind die Schaltungen gleich, und daher kann ungĂŒnstigenfalls tatsĂ€chlich Phase an der LED anliegen. Das PDF hatte ich gelesen, aber ich habe es einfach ĂŒberlesen. Stattdessen habe ich mich nur gewundert, warum keine Ausgangsspannung im PDF angegeben ist
Und jetzt wo ich den Schaltplan sehe (der im PDF ĂŒbrigens auch fehlt!), wĂŒrde ich natĂŒrlich diesen Tipp nicht wieder so geben (mit dem VerlĂ€ngerungskabel an der LED).
Das war aber nicht so sarkastisch gemeint! Vielleicht haben wir verschiedene Erfahrungen gemacht. Aber ich habe in meinem Leben viel schlimmere Verletzungen mit SĂ€gen (bis zur Amputation von Fingern), Bohrmaschinen (abrutschen, schlagen der Maschine und StĂŒrze, Bohrfutter anfassen, Verbrennungen am heiĂen Bohrer) und mit Glas gesehen (lebensgefĂ€hrliche Schnittverletzungen kann man sich schneller zuziehen, als ich dachte).
Stromverletzte hab ich nicht so oft erlebt. Daher dachte ich, Du schiesst vielleicht ein bisschen ĂŒber das Ziel hinaus. Aber das liegt wohl daran, dass wir verschiedene Dinge erlebt haben.
Wie gesagt, ich nicht. Ich hing selbst als Jugendlicher mehrfach dran, aber zum GlĂŒck ist es immer gut gegangen. Am weitesten geflogen bin ich ĂŒbrigens mal fernab der Netzspanung, als ich an einem alten Foto-BlitzgerĂ€t gebastelt habe...
Ja, das stimmt! Allerdings muss ich auch hier zugeben, dass ich nicht wusste, dass man auf dem Nulleiter auch stark eine gewischt kriegen kann. Ich dachte, die liegen bei den meisten HĂ€usern spĂ€testens an der StraĂe auf Erde. Misst nicht auch ein FI-Schalter Ströme zwischen Nullleiter und Schutzleiter? Naja, ich wĂŒrfle es vielleicht durcheinander, ist lange her.
Auch da muss ich Dir recht geben, xtw. Und danke, dass Du Dir die Zeit genommen hast, das hier nochmal in Ruhe richtigzustellen.
Ich verstehe jetzt auch Deine Motivation. Du weisst wovon Du sprichst und hast wohl schon zu viele Dinge gesehen, auf die Du lieber verzichtet hÀttest!
GrĂŒĂe
Nuptial
Ich wusste nicht, dass Du vom Fach bist, und habe meine Empfehlung daher rauseditiert und gebe Dir recht. Bis auf den BrĂŒckengleichrichter sind die Schaltungen gleich, und daher kann ungĂŒnstigenfalls tatsĂ€chlich Phase an der LED anliegen. Das PDF hatte ich gelesen, aber ich habe es einfach ĂŒberlesen. Stattdessen habe ich mich nur gewundert, warum keine Ausgangsspannung im PDF angegeben ist

xtw hat geschrieben:SprĂŒche wie "Genauso gut könntest Du solche Warnhinweise beim Umgang mit SĂ€gen, Bohrmaschinen und besonders mit Glas geben!" sind da schon reiner Sarkasmus...
Das war aber nicht so sarkastisch gemeint! Vielleicht haben wir verschiedene Erfahrungen gemacht. Aber ich habe in meinem Leben viel schlimmere Verletzungen mit SĂ€gen (bis zur Amputation von Fingern), Bohrmaschinen (abrutschen, schlagen der Maschine und StĂŒrze, Bohrfutter anfassen, Verbrennungen am heiĂen Bohrer) und mit Glas gesehen (lebensgefĂ€hrliche Schnittverletzungen kann man sich schneller zuziehen, als ich dachte).
Stromverletzte hab ich nicht so oft erlebt. Daher dachte ich, Du schiesst vielleicht ein bisschen ĂŒber das Ziel hinaus. Aber das liegt wohl daran, dass wir verschiedene Dinge erlebt haben.
xtw hat geschrieben:Bei solchen VorschlĂ€gen muss ich leider den spieĂigen E-Techniker raushĂ€ngen lassen, ich hab' schon genug Bastelleichen sehen "dĂŒrfen"...
Wie gesagt, ich nicht. Ich hing selbst als Jugendlicher mehrfach dran, aber zum GlĂŒck ist es immer gut gegangen. Am weitesten geflogen bin ich ĂŒbrigens mal fernab der Netzspanung, als ich an einem alten Foto-BlitzgerĂ€t gebastelt habe...
xtw hat geschrieben:Nochmal zur Verdeutlichung, Nuptial : Anbei das Layout einer funktionsgleichen Vorschaltplatine von Kemo. Wie Du siehst, hĂ€ngt es nur vom Zufall (Steckerpolung) ab, ob Du "nur" fĂŒrchterlich einen gewischt bekommst, oder einen lebensgefĂ€hrlichen Schlag erhĂ€lst - 50:50 !
Ja, das stimmt! Allerdings muss ich auch hier zugeben, dass ich nicht wusste, dass man auf dem Nulleiter auch stark eine gewischt kriegen kann. Ich dachte, die liegen bei den meisten HĂ€usern spĂ€testens an der StraĂe auf Erde. Misst nicht auch ein FI-Schalter Ströme zwischen Nullleiter und Schutzleiter? Naja, ich wĂŒrfle es vielleicht durcheinander, ist lange her.
xtw hat geschrieben:Zu Deinem Schlusssatz ( Kinder und Jugendliche: einen Erwachsenen um Hilfe bitten... ) - leider bauen Erwachsene die dicksten Böcke, vom branderzeugendem Stromdiebstahl mit Klingeldraht unter Holztreppen bis zu versehentlichen (Selbst)mordschaltungen.![]()
![]()
Auch da muss ich Dir recht geben, xtw. Und danke, dass Du Dir die Zeit genommen hast, das hier nochmal in Ruhe richtigzustellen.

Ich verstehe jetzt auch Deine Motivation. Du weisst wovon Du sprichst und hast wohl schon zu viele Dinge gesehen, auf die Du lieber verzichtet hÀttest!
GrĂŒĂe
Nuptial
- xtw
- Einsteiger
- BeitrÀge: 84
- Registriert: 11. Juni 2008, 13:24
- Hat sich bedankt: 0
- Danksagung erhalten: 1 Mal
#16 AW: MondĂ€hnliches Licht erzeugen fĂŒr die Nacht?
He, Nuptial, Du bist echt super drauf ! Man erlebt es (leider) selten, dass so aufrichtig und freundlich auf Kritik reagiert wird - Respekt und vielen Dank ! 
Vom Nullleiter bekommt man ĂŒbrigens (je nach Netzart) selten bis nie einen "gewischt", auch wenn Differenzen zu Null im zweistelligen Bereich möglich sind - Du wĂŒrdest ĂŒber den anderen LED-Anschluss (trotz der Vorschaltung) einen Stromschlag bekommen, wenn die LED nicht zum Einbruch der Spannung fĂŒhrt (Diode defekt, LED defekt, Leitungsbruch...).
Das macht auch N-Unterbrechungen so gefÀhrlich, zB auch in der normalen Hausinstallation und bei normalen HaushaltsgerÀten.


Vom Nullleiter bekommt man ĂŒbrigens (je nach Netzart) selten bis nie einen "gewischt", auch wenn Differenzen zu Null im zweistelligen Bereich möglich sind - Du wĂŒrdest ĂŒber den anderen LED-Anschluss (trotz der Vorschaltung) einen Stromschlag bekommen, wenn die LED nicht zum Einbruch der Spannung fĂŒhrt (Diode defekt, LED defekt, Leitungsbruch...).
Das macht auch N-Unterbrechungen so gefÀhrlich, zB auch in der normalen Hausinstallation und bei normalen HaushaltsgerÀten.

Lieben GruĂ, Thorsten
## GESUCHT ## : 2-3 Camponotus herculeanus oder ligniperda Königinnen (begattet) aus aktuellem Schwarmflug gegen Unkostenerstattung. ## Bitte per PN ##
## GESUCHT ## : 2-3 Camponotus herculeanus oder ligniperda Königinnen (begattet) aus aktuellem Schwarmflug gegen Unkostenerstattung. ## Bitte per PN ##